Description
Questi elettromandrini sono la selezione di modelli realizzati per miling, che abbiamo sempre in magazzino. Sono completamente compatibili con Teknomotor. Siamo in grado di offrire un totale di 50 modelli di mandrini Electro, e quindi hanno fatto una selezione di vendere a magazzino. Tutti gli elettromandrini nel catalogo possiamo anche fornire ma hanno un tempo di esecuzione più lungo, minimo 6-8 settimane di leadtime. Si prega di notare che i mandrini Electro sono molto più costosi in termini di prezzo rispetto ai mandrini HF, ma c’è una grande differenza. Gli elettromandrini possono avere una velocità massima di 24000 rpm, inoltre il design è per carichi combinati come carichi radiali e carichi assiali. C’è una scelta molto più grande in termini di tipo di cuscinetti, standard sono doppi cuscinetti a contatto angolare invece di cuscinetti a sfere radiali nei mandrini HF. I prezzi indicati sono per il mandrino + dado bilanciato + chiave, la maggior parte dei negozi danno solo il prezzo per il motore, quindi fate attenzione quando si confrontano i prezzi… Nella maggior parte dei casi i clienti avranno anche bisogno di un’unità VFD (Variable Frequency Drive), offriamo questi sulla pagina delle parti elettroniche, i DVD dei modelli di alta qualità Delta funzionano perfettamente con questi motori. Se lo desideri, possiamo a un costo aggiuntivo collegare e testare il VFD con il tuo motore, inoltre possiamo testarlo dal software USBCNC.
Questo prodotto è naturalmente destinato all’applicazione di attrezzature in materiali teneri come:
Legno, pvc e plastica, alluminio e composito. Di sicuro la qualità del cuscinetto utilizzato può funzionare anche in tutti i materiali come il ferro, ma a causa della costruzione in alluminio dell’elettromandrino la dimensione può variare con température. Per una maggiore precisione si prega di utilizzare la nostra selezione di liquidi TMPE4 10/2 L-A. I nostri mandrini sono fatti per utensili in condizione di polvere, per evitarlo al massimo, aggiungiamo un ingresso presure, si considera come la soluzione migliore per evitare polution cuscinetto)
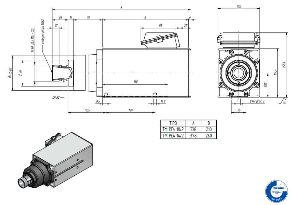
Elettromandrini TMPE4 10/2
Potenza 3.3kW 18000Tr/mn Velocità massima 24000Tr/mn
Per pinza tipo ER32 diam da 1 a 16mm
Progettato per carichi radiali e assiali, motore pesante
Motore ad induzione trifase 230v accoppiamento Trangle / 400v accoppiamento stella
(Selezione Stella/Triangolo su motore con piastre)
(funzione di azionamento già accoppiata fornita)
Rotore a gabbia Squirel bilanciato secondo le norme ISO 1940
Raffreddamento ad albero
Conforme alla norma IP 54
DB-Cuscinetto a contatto angolare doppio nel naso del mandrino
Include un dado e una chiave bilanciati
Esaurire il cono è inferiore a 0,01mm
Per maggiori informazioni, contattateci







