CNC ITALIE 2023
  • CNC ELECTRIC MOTORS ITALIA
  • ELECTROMANDRINI
  • MOTORI & DRIVES
  • MACCHINE
  • CNC CONTROLLO
  • ACCESSORI
  • CONTTATI
  • Rechercher
  • Menu Menu
  • 0Panier

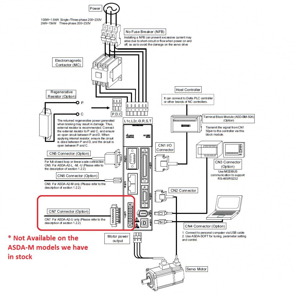
Servo-Azionamento brushless ASD-A2-0421-M 400W per ECMA-C20604

494,99 €

Delta Parte nr: ASD-A2-0421-M
Tastiera inclusa
Si collega direttamente a 220V monofase o 230V trifase
Si collega direttamente a 1 o 3 x 230V
Potenza di uscita nominale: 400 W
Ingresso Step/Dir o Analogico o Controller di Posizione Interno (modalità PR
Modalità posizione/velocità/coppia o modalità mista (posizione e velocità, ecc.) o controller di posizione interno
Auto-tuning dei guadagni PID (vedi immagine) (ASDA Soft disponibile per il download gratuito)
Nessun cavo di programmazione è richiesto, funziona via USB, cavo incluso con la consegna
Dimensioni (lunghezza x larghezza x altezza) 162x60x156 mm

2 en stock

UGS : 2-1-1 Catégorie : Variatori Brushless
  • Description

Description

Servocomando Brushless ASD-A2-0421-M per servomotore ECMA-C20604

ASD-A2 – monofase 1x230v

La serie di servoazionamenti ASDA-A2-M è più avanzata della serie B2. Per la maggior parte delle applicazioni CNC non sono necessarie tutte queste funzioni aggiuntive. L’A2 è molto interessante per molte altre applicazioni. Può essere impostato in quella che viene chiamata modalità PR, modalità posizione interna. In modalità posizione interna è possibile collegare ad esempio un interruttore di casa, ed è quindi possibile impostare i parametri che permetteranno l’unità + motore a casa stessa. Inoltre è possibile impostare i limiti software dell’intervallo. Quindi si avvia un ciclo di movimento con un interruttore di attivazione evento. Non è come un PLC, è molto più semplice. Ma per molte applicazioni questo può essere molto interessante. Poiché tutta l’Inteligence è a bordo, non avete bisogno di un PC o di un PLC supplementare o di ore di programmazione.

Caratteristiche dei componenti:

Delta Parte nr: ASD-A2-0421-M
Tastiera inclusa
Si collega direttamente a 220V monofase o 230V trifase
Si collega direttamente a 1 o 3 x 230V (non a 3 x 380V!)
Potenza di uscita nominale: 400 W
Ingresso Step/Dir o Analogico o Controller di Posizione Interno (modalità PR
Modalità posizione/velocità/coppia o modalità mista (posizione e velocità, ecc.) o controller di posizione interno
Auto-tuning dei guadagni PID (vedi immagine) (ASDA Soft disponibile per il download gratuito)
Nessun cavo di programmazione è richiesto, funziona via USB, cavo incluso con la consegna
Dimensioni (lunghezza x larghezza x altezza) 162x60x156 mm

Applicazioni:

Servo asse , posizionamento passo-passo di modo con l’anello vicino, ad alta velocità

Servo asse , modalità +/-10 volt o Tork con anello chiuso, ad alta velocità

Servo asse , con servo CNC digitale in CanOpen

Feedback diretto sul motore o feedback tramite mesh sull’asse (A, A/ ,B, B/ ) per una precisione molto elevata

 

 

movitecnic

Per maggiori informazioni, contattateci

 

Produits similaires

  • Servo-Azionamento brushless ASD-A2-1521-M 1500W per ECMA-C21315

    665,99 €
  • Servo-Azionamento brushless ASD-A2-0721-M 700W per ECMA-C20807

    494,99 €
  • Servo-Azionamento brushless ASD-A2-1021-M 1000W per ECMA-C21010

    566,99 €
  • Servo Dimmer brushless ASD-B2-0221-B 200W per ECMA-C20602

    260,99 €
Servo-Azionamento brushless ASD-A2-0221-M 200W per ECMA-C20602Servo-Azionamento brushless ASD-A2-0721-M 700W per ECMA-C20807
Faire défiler vers le haut